鋁型材配件
Product accessories
Product accessories
聯系APAS / Contact us
- 地址:天津市西青經濟技術開發區賽達國際工業城A3-2.
- 郵箱:lxc@apas.com.cn
- 電話:022-87920088
- 傳真:請聯系網絡管理員
- 郵編:300385
- 咨詢熱線:13702119190(24小時服務熱線)
鋁型材支撐配件 / Support fittings
產品名稱 / Name
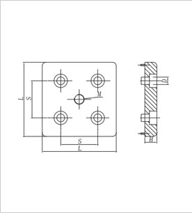
鋁型材端面連接板(正方形)
產品描述 / Describe
端面連接板主要用于鋁型材框架與底部支撐配件以及吊裝緊固件之間的緊固連接,起固定作用;端面連接板可以增大鋁型材與配件之間的連接強度,保證鋁型材框架結構的牢固度,是較為常用的鋁型材緊固配件之一;
022-87920088
可以根據需求進行設計加工,提供上門安裝服務;可以根據特殊需求進行鋁型材開模定制。
* 免費提供工業鋁型材選型手冊 →點擊咨詢
|
|
![]() ![]()
|
|
|
(鋁型材端面連接板【正方形】二維參數)
|
| ? |
|
型材規格
|
L(mm)
|
H(mm)
|
S(mm)
|
D(mm)
|
M(螺紋)
|
材質
|
顏色
|
訂貨編號
|
|
6060-槽8
|
60
|
13
|
30
|
φ8.5
|
M12
|
鋅合金(精鑄)
|
黑色
|
CE-EL3060-10
|
|
6060-槽8
|
60
|
13
|
30
|
φ8.5
|
M16
|
鋅合金(精鑄)
|
黑色
|
CE-EL3060-12
|
|
8080-槽8
|
80
|
13
|
40
|
φ8.5
|
M12
|
鋅合金(精鑄)
|
黑色
|
CE-EL4080-12
|
|
8080-槽8
|
80
|
13
|
40
|
φ8.5
|
M16
|
鋅合金(精鑄)
|
黑色
|
CE-EL4080-16
|
|
9090-槽10
|
90
|
17
|
45
|
φ12.5
|
M16
|
鋅合金(精鑄)
|
黑色
|
CE-EL4590-12
|
|
9090-槽10
|
90
|
17
|
45
|
φ12.5
|
M20
|
鋅合金(精鑄)
|
黑色
|
CE-EL4590-16
|
|
100100-槽8
|
100
|
20
|
50
|
φ12.5
|
M16
|
鋁合金(機加工)
|
鋁本色
|
CE-EL50100-16
|
|
100100-槽8
|
100
|
20
|
50
|
φ12.5
|
M20
|
鋁合金(機加工)
|
鋁本色
|
CE-EL50100-20
|
| ? |
|
正方形鋁型材端面連接板采用鋅合金經過精鑄成型,表面經過噴涂處理;主要用應于6060、8080、9090、100100等規格工業鋁型材截面與鋁型材框架支撐配件(螺桿腳輪、金屬蹄腳)的緊固連接,起固定作用; |
?
聯系APAS/ Contact us
天津艾普斯工業鋁型材股份有限公司
聯系電話:022-87920088
企業傳真:(避免惡意廣告)請聯系該企業網絡管理員
服務熱線:13702119190 (24小時服務熱線)
Q Q:534973906
企業郵箱: lxc@apas.com.cn
企業地址:天津市西青經濟技術開發區賽達國際工業城A3-2
聯系電話:022-87920088
企業傳真:(避免惡意廣告)請聯系該企業網絡管理員
服務熱線:13702119190 (24小時服務熱線)
Q Q:534973906
企業郵箱: lxc@apas.com.cn
企業地址:天津市西青經濟技術開發區賽達國際工業城A3-2
采購意向留言:* 為必填

.jpg)













QQ咨詢
電話聯系
聯系電話

在線留言
樣冊下載
