鋁型材配件
Product accessories
Product accessories
聯系APAS / Contact us
- 地址:天津市西青經濟技術開發區賽達國際工業城A3-2.
- 郵箱:lxc@apas.com.cn
- 電話:022-87920088
- 傳真:請聯系網絡管理員
- 郵編:300385
- 咨詢熱線:13702119190(24小時服務熱線)
鋁型材連接配件 / Aluminum profile fittings
產品名稱 / Name
鋁型材二向連接件
產品描述 / Describe
二維角連接件主要用于兩根工業鋁型材直角結構連接,屬于封閉型快速連接件;二維角配件與型材對接面限位設計,可以避免結構位移,導致框架發生松動現象,從而影響使用性能;
022-87920088
可以根據需求進行設計加工,提供上門安裝服務;可以根據特殊需求進行鋁型材開模定制。
* 免費提供工業鋁型材選型手冊 →點擊咨詢
|
|
![]() ![]()
|
|
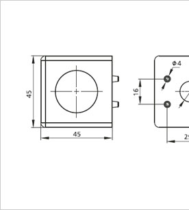
(鋁型材二維角連接件二維參數)
|
|
適用鋁型材規格
|
材質
|
表面處理
|
訂貨編號
|
|
20×20-2向
|
鋅壓鑄
|
亞光
|
CE-CBR20-2D-6-1A
|
|
鋅壓鑄
|
銀色噴漆
|
CE-CBR20-2D-6-2A
|
|
|
適用鋁型材規格
|
材質
|
表面處理
|
訂貨編號
|
|
30×30-2向
|
鋁壓鑄
|
亞光
|
CE-CBR30-2D-8-1A
|
|
鋁壓鑄
|
銀色噴漆
|
CE-CBR30-2D-8-2A
|
|
|
適用鋁型材規格
|
材質
|
表面處理
|
訂貨編號
|
|
40×40-2向
|
鋁壓鑄
|
亞光
|
CE-CBR40-2D-8-1A
|
|
鋁壓鑄
|
銀色噴漆
|
CE-CBR40-2D-8-2A
|
|
|
適用鋁型材規格
|
材質
|
表面處理
|
訂貨編號
|
|
45×45-2向
|
鋁壓鑄
|
亞光
|
CE-CBR45-2D-10-1A
|
|
鋁壓鑄
|
銀色噴漆
|
CE-CBR45-2D-10-2A
|
|
二維角連接件主要用于兩支工業鋁型材90度直角連接,適用于20系列、30系列、40系列、45系列鋁型材之間的直角連接;利用二維角連接件組裝鋁型材框架需要對型材端部進行螺紋孔攻絲處理,然后將連接件與型材端部對齊,將螺栓鎖緊即可實現快速組裝; |
聯系APAS/ Contact us
天津艾普斯工業鋁型材股份有限公司
聯系電話:022-87920088
企業傳真:(避免惡意廣告)請聯系該企業網絡管理員
服務熱線:13702119190 (24小時服務熱線)
Q Q:534973906
企業郵箱: lxc@apas.com.cn
企業地址:天津市西青經濟技術開發區賽達國際工業城A3-2
聯系電話:022-87920088
企業傳真:(避免惡意廣告)請聯系該企業網絡管理員
服務熱線:13702119190 (24小時服務熱線)
Q Q:534973906
企業郵箱: lxc@apas.com.cn
企業地址:天津市西青經濟技術開發區賽達國際工業城A3-2
采購意向留言:* 為必填















QQ咨詢
電話聯系
聯系電話

在線留言
樣冊下載
